首页
>
今日建安
>
通知公告
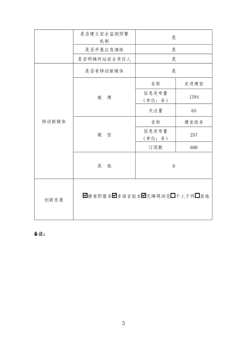
2021年政府网站工作年度报表
【信息时间:2022-01-19 09:52 阅读次数:
】
【字号
大
中
小
】
【
我要打印
】
【
关闭
】